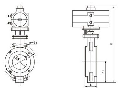
氣動對夾式硬密封蝶閥安裝尺寸
一、D673H氣動對夾式硬密封蝶閥--概述 D673H氣動對夾式硬密封蝶閥采用精密的J形彈性密封圈和三偏心多層次金屬硬密封結構,被廣泛用于介質溫度≤425℃的治金 、電力、石油化工、以及給排水和市政建設等工業管道上,作調節流量和載斷流體使用。該閥采用三偏心結構,閥座與碟板密封面均采用不同硬度和不銹鋼制作,具 有良好的耐腐蝕性,使用壽命長 1、D673H 氣動對夾式硬密封蝶閥采用三偏心密封結構,閥座與蝶板幾乎無磨損,具有越觀越緊的密封功能。 2、密封圈選用不銹鋼制作,具有金屬硬密封和彈性密封的雙重優點,無論在低溫和高溫的情況下,均具有優良的密封性能,具有耐腐蝕,使用壽命長等特點。 3、碟板密封面采用堆焊鈷基硬質合金,密封面耐磨損,使用壽命長. 4、大規格蝶板采用絎架結構,強度高,過流面積大,流阻小。 5、本閥具有雙向密封功能,安裝時不受介質流向的限制,也不受空間位置的影響,可在任何方向安裝。 6、驅動裝置可以多工位(旋轉90°或180°)安裝,便于用戶使用。 | 制造標準 | JB/T 8527-97 | | 法蘭標準 | GB9113-2000 | | 結構長度標準 | GB12221-89 | | 檢驗標準 | GB/T 13927-92 |
四、D673H氣動對夾式硬密封蝶閥--主要技術參數 | 公稱通經DN(mm) | 50~2000 | | 公稱藥理PN(MPa) | 0.6 | 1.0 | 1.6 | 2.5 | | 密封試驗(MPa) | 0.66 | 1.1 | 1.76 | 2.75 | | 強度試驗(MPa) | 0.9 | 1.5 | 2.4 | 3.75 | | 適用溫度 | 碳鋼:-29℃~425℃ 不銹鋼:-40℃~650℃ | | 適用介質 | 水、空氣、天然氣、油品及弱腐蝕性流體 | | 泄漏率 | 符合GB/T13927-92標準 | | 驅動方式 | 蝸輪傳動、電動、氣動、液動 |
| 零件名稱 | 材料 | | 閥體 | WCB、合金鋼、不銹鋼、QT450-10 | | 蝶板 | WCB、合金鋼、不銹鋼、QT450-10 | | 閥軸 | 2Cr13不銹鋼、合金鋼 | | 密封圈 | 不銹鋼圈 | | 填料 | 柔性石墨 |
六、主要外形連接尺寸 公稱通經(DN) | 主要尺寸 | 法蘭尺寸和螺栓規格 | | 1.0MPa | 1.6MPa | 2.5MPa | | L | H | H1 | D1 | 4-Ф-M | D1 | 4-Ф-M | D1 | 4-Ф-M | | 50 | 43 | 350 | 112 | 125 | Ф18 | 125 | Ф18 | 125 | Ф18 | | 65 | 46 | 370 | 115 | 145 | Ф18 | 145 | Ф18 | 145 | Ф18 | | 80 | 49 | 380 | 120 | 160 | Ф18 | 160 | Ф18 | 160 | Ф18 | | 100 | 56 | 420 | 138 | 180 | Ф18 | 180 | Ф18 | 190 | Ф23 | | 125 | 64 | 460 | 164 | 210 | Ф18 | 210 | Ф18 | 220 | Ф27 | | 150 | 70 | 555 | 175 | 240 | Ф23 | 240 | Ф23 | 250 | Ф27 | | 200 | 71 | 605 | 208 | 295 | M20 | 295 | M20 | 310 | M24 | | 250 | 76 | 680 | 243 | 350 | M20 | 355 | M24 | 370 | M27 | | 300 | 83 | 800 | 283 | 400 | M20 | 410 | M24 | 430 | M27 | | 350 | 92 | 835 | 310 | 460 | M20 | 470 | M24 | 490 | M30 | | 400 | 102 | 915 | 340 | 515 | M24 | 525 | M27 | 550 | M33 | | 450 | 114 | 960 | 380 | 565 | M24 | 585 | M27 | 600 | M33 | | 500 | 127 | 1020 | 410 | 620 | M24 | 650 | M30 | 660 | M33 | | 600 | 154 | 1225 | 470 | 725 | M27 | 770 | M33 | 770 | M36 | | 700 | 165 | 1355 | 550 | 840 | M27 | 840 | M33 | 875 | M39 | | 800 | 190 | 1470 | 640 | 950 | M30 | 950 | M36 | 990 | M45 | | 900 | 203 | 1545 | 710 | 1050 | M30 | 1050 | M36 | 1090 | M45 | | 1000 | 216 | 1795 | 770 | 1160 | M33 | 1170 | M39 | 1210 | M52 | | 1200 | 254 | 1965 | 890 | 1380 | M36 | 1390 | M45 | 1420 | M52 |

上兆閥門其他產品:
閘 閥 截止閥 球 閥 蝶 閥 緊急切斷閥 電磁閥 水力控制閥 止回閥 刀型閘閥 旋塞閥 過濾器 減壓閥 疏水閥 隔膜閥 調節閥 阻火器 呼吸閥 燃氣閥門 冶金閥門
|