

| 遙控浮球閥100X型 發布時間:17-11-08 | ||||||||||||||||
公司水力控制閥系列中的遙控浮球閥100X型主要用于高層建筑、生活區等供水管網系統的水塔、水池等設施的液面控制。遙控浮球閥100X型由主閥、針閥、球閥、浮球閥、微型過濾器等組成水力控制接管系統,調定后,自動控制液面高度。本產品直接利用液面控制,不需要其它裝置和能源,保養簡便,液面控制準確度高,不受水壓影響,密封可靠。
遙控浮球閥100X型--工作原理
當管道從進水端給水時,由于針閥、球閥、浮球閥是常開的,水通過微型過濾器、針閥、控制室、球閥、浮球閥進入水池,此時控制室不形成壓力,主閥開啟,水塔(池)供水。 當水塔(池)的水面上升至設定高度時,浮球浮起關閉浮球閥,控制室內水壓升高,推動主閥關閉,供水停止。當水面下降時,浮球閥重新開啟,控制室水壓下降,主閥再次開啟繼續供水,保持液面的設定高度。 遙控浮球閥100X型--技術參數:
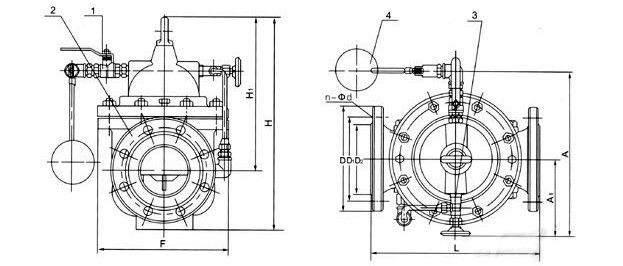
遙控浮球閥100X型--解剖圖: 1、球閥2、產閥3、針閥4、浮球閥
|
|
||
|
||
|
||
|
||
|
||
|
||
|
||
|
||
|
||
|
||
|
||
|
||
|
||
|
||
|
||