首先, GLF-C300X300星型卸灰閥的應用范圍和工作原理: 星型卸灰閥又稱旋轉式輸送閥,分為GLF-C星形方形排放閥和GLY-C星形圓形排放閥,廣泛應用于建材,冶金,化工,電力等部門。 緊急切斷閥 除塵設備的灰渣卸料裝置也可用作各種磨機,干燥機,筒倉等的進料和卸料裝置,適用于干燥粉末和小顆粒物料,以及星型灰排放閥依賴于材料。 重力作用和進料器工作機構的強制作用將物料排放到料箱中,并將其連續均勻地送入下一個裝置。 二,GLF-C星型卸灰閥產品特點: 優質鋼板焊接結構,葉片耐磨性強,傳動裝置,傳動軸和葉片一體化。 具有工作穩定可靠,消隱均勻,輕便,節能的特點。 由于星形排灰閥的軸承和減速器向外凸出,因此可以防止灰塵被擠入軸承和大顆粒材料中。 在操作過程中,葉輪通過連接軸旋轉葉輪,殼體上部的材料均勻地帶到下部,材料被下一個裝置送走。 蝶閥因此,星型排灰閥只能直立安裝,不允許水平安裝。進料器的上部應保持一定的柱子。 三,GLF-C星型卸灰閥主要技術參數: | 適用介質 | 工作溫度 | 卸灰能力 | | 干燥粉塵 | 150℃ | 4.5-160m3/h |
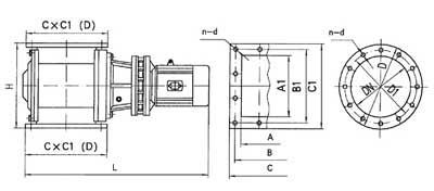
 | A1×A | B1×B | C1×C | DN | D | D1 | H | L | n-d | 傳動功率型號 | 功率KW | 卸灰能力 m3/h | 重量kg | | 150×150 | 200×200 | 230×230 | 150 | 230 | 200 | 250 | 870 | 8-Φ13 | BLY-15-43 | 0.75 | 5 | 121 | | 200×200 | 260×260 | 300×300 | 200 | 300 | 260 | 300 | 910 | 8-Φ17 | BLY-15-43 | 12 | 178 | | 300×200 | 360×260 | 400×300 | | | | 300 | 910 | 8-Φ17 | BLY-15-43 | 18 | 214 | | 250×250 | 310×310 | 350×350 | 250 | 350 | 310 | 350 | 910 | 8-Φ17 | BLY-15-43 | 24 | 258 | | 300×300 | 360×360 | 400×400 | 300 | 400 | 360 | 450 | 1140 | 8-Φ17 | BLY-18-59 | 1.5 | 30 | 308 | | 400×300 | 460×360 | 500×400 | | | | 450 | 1140 | 10-Φ17 | BLY-18-59 | 40 | 335 | | 500×300 | 460×360 | 600×400 | | | | 450 | 1140 | 12-Φ17 | BLY-18-59 | 50 | 65 | | 400×400 | 560×360 | 500×500 | 400 | 500 | 460 | 600 | 1220 | 12-Φ20 | BLY-22-71 | 3 | 60 | 398 | | 500×400 | 460×460 | 600×500 | | | | 600 | 1220 | 14-Φ26 | BLY-22-71 | 75 | 428 | | 500×500 | 570×570 | 630×630 | 500 | 630 | 570 | 760 | 1400 | 16-Φ26 | BLY-22-71 | 118 | 524 | | 700×500 | 770×570 | 830×630 | | | | 760 | 1400 | 18-Φ26 | BLY-22-71 | 160 | 654 |
|