

|
||||||||||||||||||||||||||||||||||||||||||||||||||||||||||||||||||||||||||||||||||||||||||||||||||||||||||||||||||||||||||||||||||||||||||||||||||||||||||||||||||||||||||||||||||||||||||||||||||||||||||||||||||||||||||||||||||||||||||||||||||||||||||||||||||||||||||||||||||||||||||||||||||||||||||||||||||||||||||||||||||||||||||||||||||||||||||||||||||||||||||||||||||||||||||||||||||||||||||||||||||||||||||||||||||||||||||||||||||||||||||||||||||||||
|
產品介紹 一、500X泄壓閥/持壓閥--概述
500X泄壓閥/持壓閥由主閥、泄壓/持壓導閥針閥、球閥、微形過濾器和壓力表組成水力控制接管系統。利用水力自動操作,即可以作泄壓閥用又可作持壓閥用。作泄壓閥用時,可維持供水路壓力在設定的安全值之下;做持壓閥用,可維持主閥上游水壓在設定值之上,保持主閥上游供水壓力。 二、500X泄壓閥/持壓閥--工作原理
1、作泄壓閥:當泄壓/持壓導閥調整為泄壓狀態時,水通過針閥、主閥控制室、球閥A、泄壓/持壓導閥、球閥B流向出口,此時主閥處于開啟狀態。當進口壓力超過泄壓/持壓導閥設定的安全值時,泄壓導閥會自動開啟,通過球閥C放出部分水,使管路泄壓。當壓力恢復到安全值時,泄壓閥自動關閉。作泄壓閥時,各球閥常開。
2、作持壓閥:當泄壓/持壓導閥調整為持壓狀態時,只要主閥進口水壓低于導閥設定值,導閥即關閉。主要控制室升壓,主閥關閉。當主閥上游供水壓力超過導閥設定壓力時,持壓導閥才能打開,控制室的水經球閥排至出口,控制室降壓主閥開啟,開始供水,即保持了上游水壓。作持壓閥用時,球閥C常閉或用絲堵換下。 三、500X泄壓閥/持壓閥--主要技術參數
| ||||||||||||||||||||||||||||||||||||||||||||||||||||||||||||||||||||||||||||||||||||||||||||||||||||||||||||||||||||||||||||||||||||||||||||||||||||||||||||||||||||||||||||||||||||||||||||||||||||||||||||||||||||||||||||||||||||||||||||||||||||||||||||||||||||||||||||||||||||||||||||||||||||||||||||||||||||||||||||||||||||||||||||||||||||||||||||||||||||||||||||||||||||||||||||||||||||||||||||||||||||||||||||||||||||||||||||||||||||||||||||||||||||||
| 零件名稱 | 零件材料 |
| 閥體 閥蓋 | WCB |
| 閥座 閥盤 | 銅合金 |
| 密封圈 O型圈 | 丁腈橡膠 |
| 閥桿 | 2Cr13 |
| 彈簧 | 50CrVA |
| 針型閥 | 銅合金 |
| 球閥 | 銅合金 |
| 浮球閥 | 銅合金 |
| 微型過濾器 | 不銹鋼 |
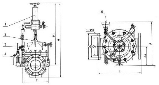
1、導閥2、針閥3、球閥4、主閥5、壓力表

| DN | L | A | A1 | H | H1 | F | D mm | D1 mm | D2 mm | n-Φd | ||||||||
| mm | mm | mm | mm | mm | mm | PN1.0 | PN1.6 | PN2.5 | PN1.0 | PN1.6 | PN2.5 | PN1.0 | PN1.6 | PN2.5 | PN1.0 | PN1.6 | PN2.5 | |
| 20 | 180 | 330 | 130 | 550 | 460 | 116 | 105 | 105 | 105 | 75 | 75 | 75 | 58 | 58 | 56 | 4-13.5 | 4-13.5 | 4-14 |
| 25 | 180 | 330 | 130 | 550 | 460 | 116 | 115 | 115 | 115 | 85 | 85 | 85 | 68 | 68 | 65 | 4-13.5 | 4-13.5 | 4-14 |
| 32 | 180 | 330 | 130 | 550 | 460 | 116 | 140 | 140 | 140 | 100 | 100 | 100 | 78 | 78 | 76 | 4-17.5 | 4-17.5 | 4-18 |
| 40 | 240 | 345 | 135 | 610 | 516 | 170 | 150 | 150 | 150 | 110 | 110 | 110 | 88 | 88 | 84 | 4-17.5 | 4-17.5 | 4-18 |
| 50 | 240 | 345 | 135 | 610 | 516 | 170 | 165 | 165 | 165 | 125 | 125 | 125 | 102 | 102 | 99 | 4-17.5 | 4-17.5 | 4-18 |
| 65 | 250 | 355 | 140 | 625 | 520 | 180 | 185 | 185 | 185 | 145 | 145 | 145 | 122 | 122 | 118 | 4-17.5 | 4-17.5 | 8-18 |
| 80 | 285 | 360 | 146 | 645 | 538 | 210 | 200 | 200 | 200 | 160 | 160 | 160 | 133 | 133 | 132 | 8-17.5 | 8-17.5 | 8-18 |
| 100 | 360 | 400 | 156 | 750 | 596 | 275 | 220 | 220 | 235 | 180 | 180 | 190 | 158 | 158 | 156 | 8-17.5 | 8-17.5 | 8-22 |
| 125 | 400 | 420 | 170 | 808 | 655 | 310 | 250 | 250 | 270 | 210 | 210 | 220 | 184 | 184 | 184 | 8-17.5 | 8-17.5 | 8-26 |
| 150 | 455 | 435 | 186 | 864 | 710 | 355 | 285 | 285 | 300 | 240 | 240 | 250 | 212 | 212 | 211 | 8-22 | 8-22 | 8-26 |
| 200 | 585 | 480 | 206 | 1135 | 805 | 460 | 340 | 340 | 360 | 295 | 295 | 310 | 268 | 268 | 274 | 8-22 | 12-22 | 12-26 |
| 250 | 650 | 530 | 226 | 1185 | 855 | 500 | 395 | 405 | 425 | 350 | 355 | 370 | 320 | 320 | 330 | 12-22 | 12-26 | 12-30 |
| 300 | 800 | 575 | 246 | 1325 | 955 | 580 | 445 | 460 | 485 | 400 | 410 | 430 | 370 | 370 | 389 | 12-22 | 12-26 | 16-30 |
| 350 | 860 | 620 | 275 | 1385 | 990 | 640 | 505 | 520 | 555 | 460 | 470 | 490 | 430 | 430 | 448 | 16-22 | 16-26 | 16-33 |
| 400 | 960 | 635 | 286 | 1445 | 1030 | 715 | 565 | 580 | 620 | 515 | 525 | 550 | 482 | 482 | 503 | 16-26 | 16-30 | 16-36 |
| 450 | 1075 | 665 | 320 | 1325 | 905 | 780 | 615 | 640 | 670 | 565 | 585 | 600 | 532 | 550 | 548 | 20-26 | 20-30 | 20-36 |
| 500 | 1075 | 695 | 348 | 1430 | 960 | 830 | 670 | 715 | 730 | 620 | 650 | 660 | 585 | 585 | 609 | 20-26 | 20-33 | 20-36 |
| 600 | 1230 | 720 | 372 | 1565 | 1020 | 920 | 780 | 840 | 845 | 725 | 770 | 770 | 685 | 685 | 720 | 20-30 | 20-36 | 20-39 |
| 700 | 1650 | 770 | 422 | 1755 | 1160 | 980 | 895 | 910 | 960 | 840 | 840 | 875 | 800 | 800 | 820 | 24-30 | 24-36 | 24-42 |
| 800 | 1750 | 805 | 458 | 2230 | 1515 | 1050 | 1015 | 1025 | 1085 | 950 | 950 | 990 | 905 | 905 | 928 | 24-33 | 24-39 | 24-48 |

上兆閥門其他產品:
閘 閥 截止閥 球 閥 蝶 閥 緊急切斷閥 電磁閥 水力控制閥 止回閥 刀型閘閥 旋塞閥 過濾器 減壓閥 疏水閥 隔膜閥 調節閥 阻火器 呼吸閥 燃氣閥門 冶金閥門